產品概述
該冰柜鉸鏈主要解決冰柜門在關閉時容易瞬間閉合、容易夾手。
最大開門角度100度,最小停止角度30度,壽命開合測試5萬次無異響,10萬次無失效。
所有材料均符合歐盟環保標準。
鹽霧測試48-96小時。

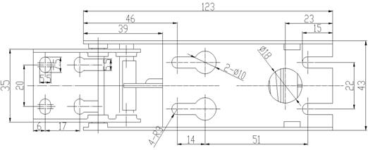
技術參數
| 編號 | 材料 | 彈簧直徑 | 外徑(mm) | 圈數 | 長度(mm) | 重量(KG) | 裝箱數(只) |
| BD 207D | 冷軋鋼DC01 | 無 | 無 | 無 | 無 | 0.17 | 100 |
| Cold rolled steel | |||||||
| BD 127 | 冷軋鋼DC01 | φ3.0 | 20 | 8 | 51 | 0.22 | 100 |
| Cold rolled steel | |||||||
| BD 362 | 冷軋鋼DC01 | φ4.0 | 22.5 | 8 | 51 | 0.23 | 100 |
| Cold rolled steel | |||||||
| BD 142 | 冷軋鋼DC01 | φ3.5 | 20 | 8 | 51 | 0.24 | 100 |
| Cold rolled steel |

